Sondermaße einfach selbst konfigurieren

Von Fenstern bis hin zu Haustüren

Sicherer Versand

Kauf auf Rechnung

Sondermaße einfach selbst konfigurieren

Von Fenstern bis hin zu Haustüren

Sicherer Versand

Kauf auf Rechnung

Bis zu 35% Rabatt – Nur für kurze Zeit!
Aktion endet in
03
d
06
h
54
m
46 s

Aluplast IDEAL 5000

Das Sichere
ab 32 €
Preis gilt für Fenster. inkl. 19% MwSt., zzgl. Versand

70 mm Bautiefe

2 einbruchshemmende Punkte pro Fensterflügel

offener Stahl als Standardausführung

Auf Anfrage - In 3-4 Wochen bei Ihnen Zuhause

Sondermaße
konfigurieren

Sicherer
Versand

Vorteile auf einen Blick

  • 5-Kammer Profil-System
  • Energieeffizient mit einem U‐Wert von bis zu 0,73 W/m²K (bestmögliche Variante)
  • 3 Dichtungen
  • Schallschutz bis zu 47 dB
  • 70 mm Bautiefe
  • Verglasungspakete bis zu 41 mm stark (standardmäßiger 24-mm-Einsatz)
  • Bis zu RC2 Einbruchsschutz
  • Flexible Anpassungsmöglichkeiten für Ihre persönlichen Vorstellungen

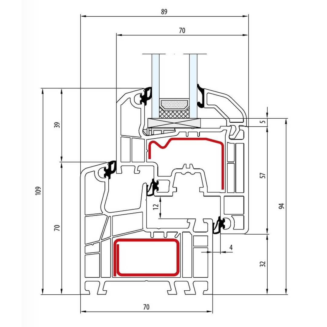
Profilbeschreibung

  1. Verglasung: Wählen Sie je nach Bedarf zwischen 2-fach oder 3-fach Verglasung.
  2. Glasdichtung: Die Abdichtung des Glases bietet effektiven Schutz vor Wasser.
  3. Flügeloptik: Der Flügel ist in einem klassischen flächenversetzten Design gestaltet.
  4. Glasleiste: Sorgt für den nötigen Druck zwischen Dichtungen und Glas.
  5. Dichtungsebenen: Zwei Dichtungsschichten sorgen für effiziente Wärme- und Schalldämmung.
  6. Stahlverstärkung: Eine integrierte Stahlverstärkung sorgt für außergewöhnliche Stabilität.
  7. Profilkammern: Mehrere Kammern in den Profilen gewährleisten eine effektive Wärmedämmung.

Aluplast IDEAL 5000 - Systembeschreibung

  • 5-Kammer System
  • Bautiefe: 70 mm
  • Wärmedurchgangskoeffizient Uw bis zu 0,73 W/m²K (bestmögliche Variante)
  • 3 Dichtungen
  • Schallschutz bis zu 47 dB
  • Verglasungspakete bis zu 41 mm stark (standardmäßiger 24-mm-Einsatz)
  • 2 einbruchshemmende Punkte pro Fensterflügel
  • Dichtungsfarbe: Schwarz
  • Verfügbare Kernfarben: Braun, Anthrazit, Weiß
  • Offener Stahl als Standardausführung
  • Profilhersteller: Aluplast
  • Ausführung in Weiß oder mit Dekorfolien
  • Bis zu RC2 Einbruchschutz
  • Nicht sichtbare Entwässerung möglich

Aluplast IDEAL 5000 - Detaillierte Vorteile

Zusätzlicher Schutz gegen Einbruch durch Sicherheitsbeschläge

Das innovative Drehkippbeschlagsystem Winkhaus activPilot® ist führend in Stabilität, Sicherheit und Funktionalität. Es bietet verschiedene Sicherheitsstufen: Basissicherheit, BasisPlus und RH 2. Mit dem RAL Gütezeichen und der Produktion in Deutschland profitieren Sie von robusten, qualitativ hochwertigen Beschlägen. Spezielle achteckige Sicherheitsschließzapfen gewährleisten zusätzlichen Einbruchschutz und lassen sich einfach verstellen, um den Anpressdruck anzupassen.

Standard-Verglasung mit Ug-Wert 1,1 W/m²K

Da Wärmeschutz bei Fenstern immer wichtiger wird, können Sie Ihre neuen Fenster auch mit 3-fach-Verglasungen konfigurieren. Hierbei stehen Ihnen Ug-Werte von 0,7 W/m²K oder 0,6 W/m²K zur Verfügung. Zudem lassen sich die 3-fach-Verglasungen mit Sicherheitsglas und Schallschutz kombinieren, sodass Sie die Fenster optimal an Ihre individuellen Anforderungen anpassen können.

Hochwertige Oberflächenqualität

Für Kunststofffenster steht Ihnen eine große Auswahl an Dekorfolien zur Verfügung, die während der Herstellung der Profile untrennbar verbunden werden. Dies garantiert eine langanhaltende Farbstabilität, die gegenüber Kratzern und Ausbleichen durch Sonnenlicht resistent ist. Neben klassischen Holzdekoren gibt es auch Trendfarben wie verschiedene Grautöne, Pastelltöne und Naturfarben.

Mögliche Dekorfolien

Warum Aluplast IDEAL 5000?

Das Ideal 5000 Fensterprofilsystem vereint modernste Technik mit stilvollem Design. Mit seinem innovativen Aufbau bietet es hervorragende Wärmedämmeigenschaften, die dazu beitragen, Energiekosten zu senken und die neuesten Energiestandards zu erfüllen.

Dank robuster Stahlverstärkungen und einem umfassenden Dichtungssystem gewährleistet das Ideal 5000 eine hohe Stabilität und Langlebigkeit. Die Beschläge sind besonders geschützt, um die Einbruchsicherheit zu erhöhen.

Das Winkhaus activPilot® Beschlagsystem ermöglicht eine flexible Anpassung an verschiedene Sicherheitsanforderungen und bietet mehrere Sicherheitsklassen.

Im Bereich des Wärmeschutzes haben Sie die Wahl zwischen Standard- und 3-fach-Verglasungen, die hervorragende Dämmwerte sowie zusätzlichen Schallschutz bieten.

Es stehen zahlreiche Oberflächenoptionen zur Verfügung, darunter klassische Holzdekore und moderne Farbtöne. Diese garantieren eine dauerhafte Farbstabilität und sind kratzfest.

Ideal 5000 Fenster erfüllen deutsche Qualitätsstandards durch kontinuierliche Überwachung und Zertifizierung aller Produkte.

Entscheiden Sie sich für das Ideal 5000, um energieeffiziente, sichere und ästhetisch ansprechende Fensterlösungen zu erhalten, die perfekt in Ihr Zuhause passen.

Kunststofffenster online bestellen bei fensterfabrik24.com

Produktsicherheit

Verantwortlich für Produktsicherheit: siehe Herstellerinformationen.

Das könnte Sie interessieren